华体会平台为您主要提供云南制冷设备,云南制冷剂,云南冷库工程等相关的展示和信息更新,欢迎您的收藏。
云南冷库安装品牌企业 优质冷库,做足"面子"
二维码
定制热线: 13888709601 定制您的冷库安装专属方案
华体会(中国)
咨询热线
13888709601
全国售后热线:
13888709601
邮箱:1105409420@qq.com
地址:云南昆明市盘龙区二环东路473号

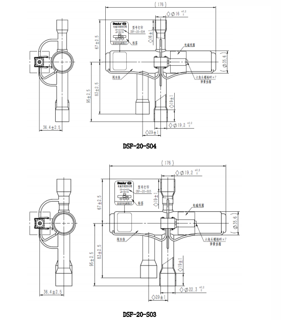
盾安三通化霜阀产品说明书

发布时间:2017-7-6 0:00:00    来源:/news358560.html    

  盾安三通化霜阀产品说明书

相关产品
首页 关于我们 华体会(中国) 华体会平台 新闻资讯 华体会(中国) 网站地图 XML

Copyright©www.jeanbonvini.com ( 点击复制 )华体会平台  

云南制冷设备怎么样?云南制冷剂哪家便宜?云南冷库工程哪家好?华体会平台主要提供云南制冷设备,云南制冷剂,云南冷库工程

热门城市推广:    Powered by  

备案号:滇ICP备14001352号-1

微信华体会(中国)